V4防爆葉片式流量開關
現場可調,1.5英寸-20英寸管道,防爆、防漏主體

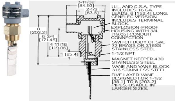
| 堅固可靠的V4系列FLOTECT@ 葉片式流量開關可用來自動保護設備和管道系統免受流量 減少或消失所帶來的損壞。V4是經過時間考驗的,已被應用于世界各地數以萬計的管線和工藝過程中。獨特的磁驅動開關設計可保證其優良的性能,它沒有波紋管、彈簧和或密封故障。相反,自由擺動的葉片吸引著固體金屬開關主體中的磁體,并且通過一個簡單杠桿來激發快速開關。 特 征 防止滲漏開關主體由棒料加工而成 可根據用戶需要定制葉片,型號V4,或現場可調多層葉片,型號V4-2-U(見設定表) 全 tian候,設計符合NEMA-4 防 爆(見規格) 可通過焊管螺紋,三通螺紋或法蘭盤直接方便地安裝在管道上(見應用安裝圖) 能用于大于1.5英寸的管道上 可以在不拆卸的情況下更換電氣元件,從而保證工藝過程不會中斷 黃銅主體能承受1000psig(69bar)的高壓和2000 psig(138 bar)的316不銹剛主體 應 用 保護泵、發動機和其它設備免受低流量或無流速所帶來的損害 控制泵等設備的順序操作 自動啟動輔0助泵和發動機 當冷卻液流量中斷時,水冷引擎、機器和操作過程停止 當無氣流通過加熱管時關閉加熱器 根據流量控制閘門 V4 系列 FLOTECT 流量開關的可選項(在型號后添加后綴) -D,DPDT觸點 -MV,鍍金觸點,干電路選擇 -MT,高溫,400℉(205℃)選擇 (見規格的電氣指標,無認1證) -TRI(漸增流速),-TRD(漸減 流速),延時繼電器,可選2個SPDT觸頭,可在0-1或0-31秒內調整(無認1證) -316,316不銹鋼磁鐵,代替標準430不銹鋼磁鐵 -SAA, SAA列出的結構 -V,豎向流,選擇用于垂直管中向上的流體 -AT,ATEX列出的結構 | 規格 介質: 于接液部件兼容性的氣體或液體 接液材質: 葉片:316不銹鋼 主體:黃銅或316不銹鋼標準 磁鐵:430不銹鋼標準,316不銹鋼可選 選項:也有其它材料,請咨詢工廠(例如:PVC,哈鎳合金,鎳,蒙乃爾合金,鈦) 溫度范圍:標準-4到275℉(-20到135℃), MT高溫選項400℉(205℃) [MT選項沒有UL, CSA, ATEX或SAA認1證] 壓力范圍:黃銅主體1000psig(69bar),316不銹剛主體2000 psig(138 bar)。也可選用5000 psig(345bar) 僅對316不銹剛主體和SPDT開關 防護指標: 全tian候和防爆。UL和CSA的I級,C和D組;II級,E,F和G組 ATEX 0344 II 2 G EEx d IIB T6 -20°C≤Tamb≤75°C EC-型認1證號: KEMA 03ATEX 2383 SAA: Exd C T6 (T amb=60°C), Zone I和FM認1證 開關型號: SPDT標準,DPDT可選擇 電氣指標:UL, FM ATEX和 SAA 型 10A @ 125/250 VAC. CSA 型: 5A @ 125/250 VAC; 5A res., 3A ind. @ 30 VDC . MV 型: 1A @125 VAC; 1A res., .5A ind. @ 30 VDC. MT 型: 5A @ 125/250 VAC. [MT和MV選項沒有UL, CSA, FM, ATEX或SAA] 電力連接:UL/ CSA型:16線規銅線,6英寸(152毫米)長。ATEX和SAA型:接線盒 管道連接: 3/4英寸FNPT 過程連接: 1.5英寸MNPT 安裝:安裝在垂直方向5度以內以便于操作,也可水平安裝(有上流流體的立管) 可調設置點: 通用葉片:5葉片組合 重量:4磅8盎司(1.9 公斤) 認1證:UL, CSA, CE, FM, SAA和ATEX 型號 型 號規格描述V4-2-U黃銅體,通用葉片V4-SS-2-U316不銹鋼體*,通用葉片V4黃銅體,定做葉片V4-SS316不銹鋼體*,定做葉片*316不銹鋼體采用430不銹鋼磁鐵 |
V4 系列 FLOTECT 葉輪式流量開關
有任何疑問,請及時與我們溝通!期待您的電鈴!
電話: 0755-89686581
13265803631/鴻澤

















第4年





德威爾 BTO系列 帶溫度變送器的雙金
德威爾 637S系列 衛生接頭型壓力變
德威爾 IEF系列 插入式電磁流量變送
德威爾 A1F低成本壓力開關
德威爾 TSX系列 數顯溫度開關
德威爾 471B 手持式風速計
德威爾 645系列 氣液兩用差壓變送器
德威爾 1211系列可卷曲便攜式微差壓
德威爾 VFCR 流量計
微信客服